Infissi in PVC
HTS Vision
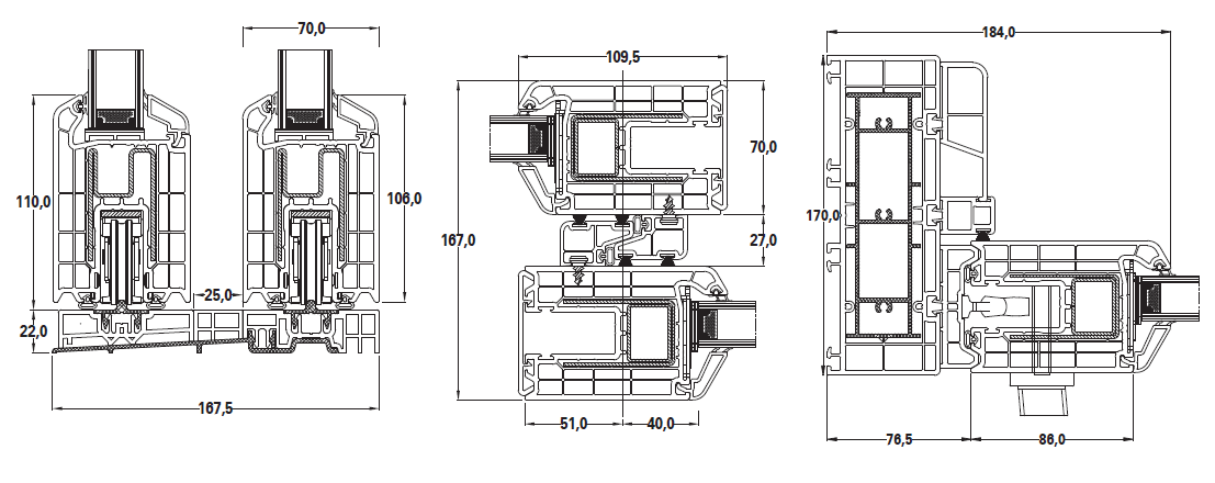
Particolarmente indicato per porte di grandi dimensioni. Permette la realizzazione di ampie vetrate.
Ideali in contesti residenziali.
Battente rinforzato, grande resistenza strutturale ed elevati coefficienti di permeabilità agli agenti atmosferici.
Possibilità di abbinare una soglia di scorrimento in alluminio a profilo ribassato flat-step.






